Download Images Library Photos and Pictures. How To Power And Control Brushless Dc Motors Digikey 3 Phase Brushless Dc Motor Driver Ics Rated To 30a At 600v New Industry Products 110v Ac Input Brushless Dc Motor Driver 600w 3 Phase Bldc Motor Driver Circuit For Sale Brushless Dc Motor Driver Manufacturer From China 107829415 How To Power And Control Brushless Dc Motors Digikey
. Bldc Brushless Dc Motor Driver Circuit Using 555 Ic Bldc Motor Guide Breathing New Life Into Bldc Motors Brushless Dc Motor Brushless Dc Bldc Motor Microchip Technology
Pin On Motors
Overload Protection Brushless Dc Motor Driver Board Pure Hardware Built Circuit
Advanced Brushless Dc Motor Controller Circuits Home
Buy Brushless Motor Controller Dc 12 36v 500w Pwm Board At Low Price
Basics Of Brushless Dc Motors Bldc Motors Construction Working
Electrical Brushless Dc Motor Introduction Working And Applications
Brushless Dc Motor Brushless Dc Bldc Motor Microchip Technology
1 Demonstrates The Main Components Of Bldc Motor Drive System Which Download Scientific Diagram
Sensorless 3 Phase Bldc Motor Pre Driver Ic Tb9061afng Toshiba Electronic Devices Storage Corporation Europe Emea
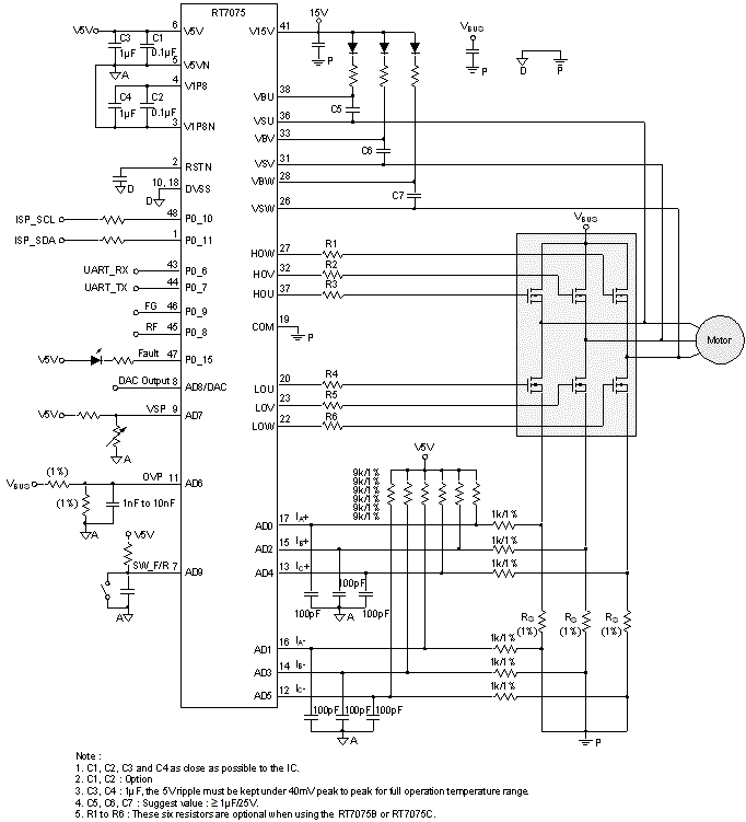
Rt7075 3 Phase Pmsm Bldc Motor Controller With Gate Driver Richtek Technology
What Is Brushless Dc Motor Bldc And How To Control Bldc Motor With Arduino
Brushless Dc Bldc Motor With Arduino Part 2 Circuit And Software
Tidm Lpbp Bldcmotordrive Three Phase Brushless Dc Motor Driver Ti Com
Jkbld120 Brushless Dc Motor Driver 10v 30vdc 0a 8a For 0 120w Bldc Motor
3 Phase Brushless Dc Motor Driver Ics Industrial Devices Solutions Panasonic
Brushless Dc Motor Driver Bldc Motor Full Diy Project
Problems In Design Of A Bldc Motor Driver Electrical Engineering Stack Exchange
Brushless Dc Motor Driver Bldc 8015a Philippines Makerlab Electronics
Mp6531a 5v 60v Three Phase Brushless Dc Motor Pre Driver With Separate Hs Ls Control Mps
The Configuration Of The Prototype Brushless Dc Motor Driver Download Scientific Diagram
Hall Effect 12 Volt Motor Controller Bldc Motor Driver Circuit Board Jyqd V7 3e2 For Sale Brushless Dc Motor Driver Manufacturer From China 109399771
Bldc Shield Ifx007t Infineon Technologies
110v Ac Input Brushless Dc Motor Driver 600w 3 Phase Bldc Motor Driver Circuit For Sale Brushless Dc Motor Driver Manufacturer From China 107829415
Hall Effect 12 Volt Motor Controller Bldc Motor Driver Circuit Board Jyqd V7 3e2
Bldc Motor Guide Breathing New Life Into Bldc Motors
Pdf Implementation Of A Three Phase Inverter For Bldc Motor Drive
3 Phase Brushless Dc Motor Driver Ics Rated To 30a At 600v New Industry Products


Comments
Post a Comment